



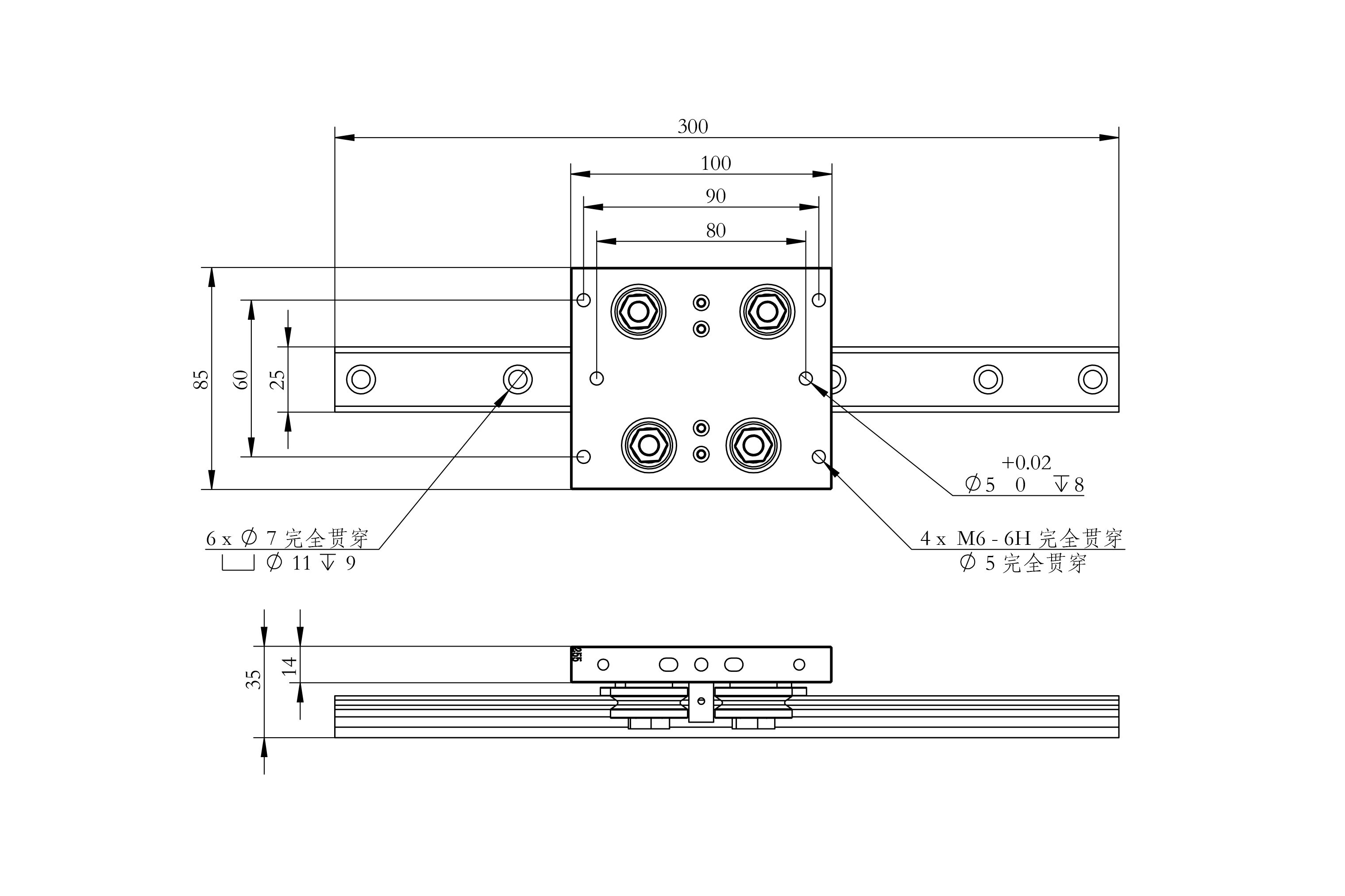
This standard slide seat is designed specifically for the 25 series V-shaped ring guide rail, with defined dimensions and configuration.
Hotline
(86)752-2123226 / 18928325808
Product Display
product
News Center
News Center
This standard slide seat is designed specifically for the 25 series V-shaped ring guide rail, with defined dimensions and configuration. Slide seats with different roller positioning configurations are tailored to match specific arc diameters and are not interchangeable.







ONLINE MESSAGE
